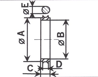
Anneau de centrage avec joint viton
304 L DN Référence A B C D E 10 114010 12 10 8 3.9 5 16 114016 17 16 8 3.9 5 20 114020
304 L DN Référence A B C D E 10 114010 12 10 8 3.9 5 16 114016 17 16 8 3.9 5 20 114020
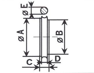
304 L DN Référence A B C D E 16 158016 17 16 8 3.9 5 25 158025 26 25 8 3.9 5 40 158040
DN Référence A B C D E 16 147016 17 16 7 30.1 25 147025 26 25 7 40.1 40 147040 41 39
DN Référence A B C D E 16 146016 17 16 7 30.1 25 146025 26 25 7 40.1 40 146040 41 39
DN Référence A B C D E 16/10 117101 17 12 8 3.9 5 25/20 117252 26 22 8 3.9 5 40/32 117403 41 34
304 L DN Référence A B C D E 16/10 116161 17 12 8 3.9 5 25/20 116252 26 22 8 3.9 5 40/32 116403
DN Référence A B C D E 10 115010 12 10 8 3.9 5 16 115016 17 16 8 3.9 5 20 115020 22 21
304 L DN Référence A B C D E 10 114010 12 10 8 3.9 5 16 114016 17 16 8 3.9 5 20 114020