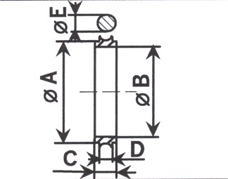
| DN | Référence | A | B | C | D | E |
| 10 | 115010 | 12 | 10 | 8 | 3.9 | 5 |
| 16 | 115016 | 17 | 16 | 8 | 3.9 | 5 |
| 20 | 115020 | 22 | 21 | 8 | 3.9 | 5 |
| 25 | 115025 | 26 | 25 | 8 | 3.9 | 5 |
| 32 | 115032 | 34 | 32 | 8 | 3.9 | 5.33 |
| 40 | 115040 | 41 | 39 | 8 | 3.9 | 5.33 |
| 50 | 115050 | 52 | 50 | 8 | 3.9 | 5.33 |
| DN | Référence | A | B | C | D | E |
| 10 | 115010 | 12 | 10 | 8 | 3.9 | 5 |
| 16 | 115016 | 17 | 16 | 8 | 3.9 | 5 |
| 20 | 115020 | 22 | 21 | 8 | 3.9 | 5 |
| 25 | 115025 | 26 | 25 | 8 | 3.9 | 5 |
| 32 | 115032 | 34 | 32 | 8 | 3.9 | 5.33 |
| 40 | 115040 | 41 | 39 | 8 | 3.9 | 5.33 |
| 50 | 115050 | 52 | 50 | 8 | 3.9 | 5.33 |