cryothermsa@hotmail.com

04 79 38 57 38

Adresse

18 rue de l'Industrie
73460 Frontenex

Generic selectors
Exact matches only
Search in title
Search in content
Post Type Selectors

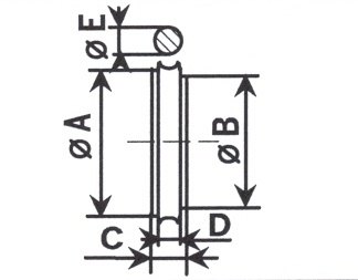
Anneau de centrage reduction inox avec joint viton

304 L
DN Référence A B C D E
16/10 116161 17 12 8 3.9 5
25/20 116252 26 22 8 3.9 5
40/32 116403 41 34 8 3.9 5.33
316 L
DN Référence A B C D E
16/10 116161-B (316 L) 17 12 8 3.9 5