Aller au contenu
EMAIL
cryothermsa@hotmail.com
TÉLÉPHONE
04 79 38 57 38
Adresse
18 rue de l'Industrie
73460 Frontenex
Generic selectors
Exact matches only
Search in title
Search in content
Post Type Selectors
Accueil
Entreprise savoyarde
Pièces du catalogue
Pièces mécano-soudées
Accueil
Entreprise savoyarde
Pièces du catalogue
Pièces mécano-soudées
Catalogue en PDF
Contact
Accueil
Entreprise savoyarde
Pièces du catalogue
Pièces mécano-soudées
Demande de catalogue PDF
Contact
Accueil
Entreprise savoyarde
Pièces du catalogue
Pièces mécano-soudées
Demande de catalogue PDF
Contact
Demande de catalogue PDF
Contact
Précédent
Précédent
Embout lisse longueur spéciale / flange weld stub different length
Suivant
Anneau de centrage intérieur + extérieur + joint perbunan
Suivant
Anneau de centrage intérieur + extérieur + joint viton
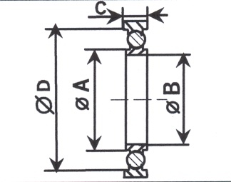
DN
Référence
A
B
C
D
E
16
146016
17
16
7
30.1
25
146025
26
25
7
40.1
40
146040
41
39
7
55.1
50
146050
52
50
7
75.1