| DN | Référence | A | B | C | D | E |
| 16 CF | 447016 | 21 | 16 | 3 | ||
| 35 CF | 447035 | 48.2 | 37 | 3 | ||
| 63 CF | 447063 | 82.4 | 63 | 3 | ||
| 100 CF | 447100 | 120.4 | 107.8 | 3 | ||
| 160 CF | 447160 | 171.3 | 152 | 3 |
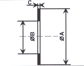
| DN | Référence | A | B | C | D | E |
| 16 CF | 447016 | 21 | 16 | 3 | ||
| 35 CF | 447035 | 48.2 | 37 | 3 | ||
| 63 CF | 447063 | 82.4 | 63 | 3 | ||
| 100 CF | 447100 | 120.4 | 107.8 | 3 | ||
| 160 CF | 447160 | 171.3 | 152 | 3 |