cryothermsa@hotmail.com

04 79 38 57 38

Adresse

18 rue de l'Industrie
73460 Frontenex

Generic selectors
Exact matches only
Search in title
Search in content
Post Type Selectors

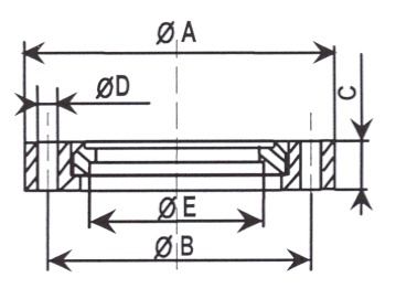
Bride tournante creuse

304 L

DN Référence A B C D E
16 CF 445016 34 27 7.6 4.5 19.1
35 CF 445035 70 58.7 12.7 6.75 38.2
63 CF 445063 114 92.1 17.4 8.3 63.6
100 CF 445100 152 130.2 19.8 8.3 104.2
150 CF 445150 199 181 22.2 8.3 154.2

316 L

DN Référence A B C D E
16 CF 446016 34 27 7.6 4.5 19.1
35 CF 446035 70 58.7 12.7 6.75 38.2
63 CF 446063 114 92.1 17.4 8.3 63.6