Aller au contenu
EMAIL
cryothermsa@hotmail.com
TÉLÉPHONE
04 79 38 57 38
Adresse
18 rue de l'Industrie
73460 Frontenex
Generic selectors
Exact matches only
Search in title
Search in content
Post Type Selectors
Accueil
Entreprise savoyarde
Pièces du catalogue
Pièces mécano-soudées
Accueil
Entreprise savoyarde
Pièces du catalogue
Pièces mécano-soudées
Catalogue en PDF
Contact
Accueil
Entreprise savoyarde
Pièces du catalogue
Pièces mécano-soudées
Demande de catalogue PDF
Contact
Accueil
Entreprise savoyarde
Pièces du catalogue
Pièces mécano-soudées
Demande de catalogue PDF
Contact
Demande de catalogue PDF
Contact
Précédent
Précédent
Té
Suivant
Hublot verre « niveau zéro »
Suivant
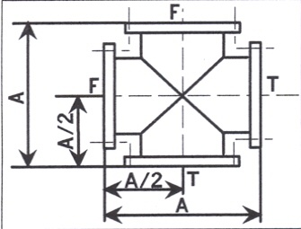
Croix
DN
Référence
A
B
C
D
E
16 CF
422016
76
35 CF
422035
126