DN Référence A B C D E 10-16 137101 20-25 137202 32-40 137324
DN Référence A B C D E 5×15 136515 15 5 6×18 136618 18 6 8×20 136820 20 8
DN Référence A B C D E 25 130125 33 25 40 130140 49 40 50 130150 60 50
DN Référence A B C D E 25 141025 35 22.5 25.5 26 40 141040 50 37.5 40.5 38 50 141050 50 47.5
DN Référence A B C D E 16 129016 40 11 7 25 129025 40 11 7 40 129040 40 11
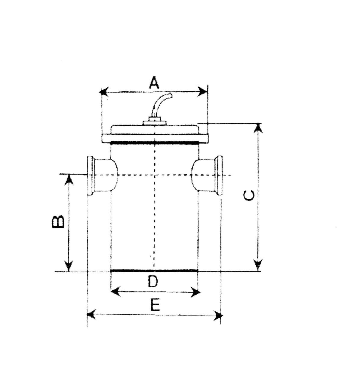
DN Référence A B C D E 25 127025 90 135 171.5 88 40 127040 115 165 201.5 91