Aller au contenu
EMAIL
cryothermsa@hotmail.com
TÉLÉPHONE
04 79 38 57 38
Adresse
18 rue de l'Industrie
73460 Frontenex
Generic selectors
Exact matches only
Search in title
Search in content
Post Type Selectors
Accueil
Entreprise savoyarde
Pièces du catalogue
Pièces mécano-soudées
Accueil
Entreprise savoyarde
Pièces du catalogue
Pièces mécano-soudées
Catalogue en PDF
Contact
Accueil
Entreprise savoyarde
Pièces du catalogue
Pièces mécano-soudées
Demande de catalogue PDF
Contact
Accueil
Entreprise savoyarde
Pièces du catalogue
Pièces mécano-soudées
Demande de catalogue PDF
Contact
Demande de catalogue PDF
Contact
Précédent
Précédent
Collier chaînette inox
Suivant
Recharge pour filtre a tamis moleculaire
Suivant
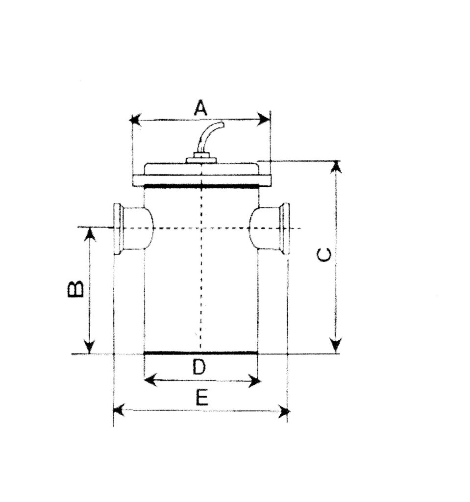
Filtre à tamis moléculaire
DN
Référence
A
B
C
D
E
25
127025
90
135
171.5
88
40
127040
115
165
201.5
91