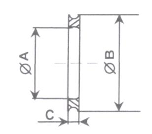
Bague ext. alu pour anneau de centrage
DN Référence A B C D E 63 329063 85.4 92.6 3.75 80 329080 98.7 107.8 3.75 100 329100 116.4 125.6
DN Référence A B C D E 63 329063 85.4 92.6 3.75 80 329080 98.7 107.8 3.75 100 329100 116.4 125.6
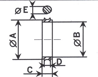
DN Référence A B C D E 63 319063 70 68 8 3.9 5.33 80 319080 83 81 8 3.9 5.33 100 319100 102 100
304 L DN Référence A B C D E 63 318063 70 68 8 3.9 5.3 80 318080 83 81 8 3.9 5.3 100 318100
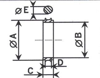
DN Référence A B C D E 63 321063 75.57 5.33 80 321080 88.27 5.33 100 321100 107.3 5.33 160 321160 164.5 6.99 200 321200
DN Référence A B C D E 63 320063 75.57 5.33 80 320080 88.27 5.33 100 320100 107.3 5.33 160 320160 164.5 6.99 200 320200