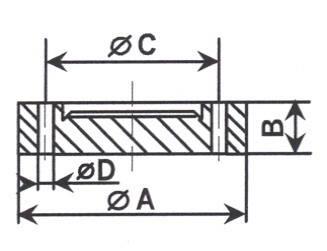
Bride pleine taraudée tournante
304 L DN Référence A B C D E 16 CF 449016 33.8 27 7.6 M4 6 35 CF 449035 70 58.7 12.7 M6 6
304 L DN Référence A B C D E 16 CF 449016 33.8 27 7.6 M4 6 35 CF 449035 70 58.7 12.7 M6 6
304 L DN Référence A B C D E 16 CF 439016 33.8 27 7.6 4.5 6 35 CF 439035 70 58.7 12.7 6.75 6
304 L DN Référence A B C D E 16 CF 403016 33.8 7.6 27 M4 6 35 CF 403035 70 12.7 58.7 M6 6
304 L DN Référence A B C D E 16 CF 401016 33.8 7.6 27 4.5 6 35 CF 401035 70 12.7 58.7 6.75 6