Bride fixe à souder
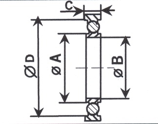
304 L DN Référence A B C D E 16 CF 443016 33.8 19.1 7.6 35 CF 443035 70 38.2 12.7
304 L DN Référence A B C D E 16 CF 443016 33.8 19.1 7.6 35 CF 443035 70 38.2 12.7
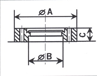
304 L DN Référence A B C D E 16 CF 441016 33.8 19 38 30.4 1.5 35 CF 441035 70 38 63 50 1.5
DN Référence A B C D E 16 147016 17 16 7 30.1 25 147025 26 25 7 40.1 40 147040 41 39
DN Référence A B C D E 16 146016 17 16 7 30.1 25 146025 26 25 7 40.1 40 146040 41 39
304 L DN Référence A B C D E 16 145016 30 16 20 70 16 145116 30 16 20 110 25 145025