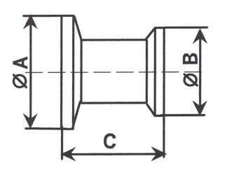
| DN | Référence | A | B | C | D | E |
| 25/10 | 105010 | 40 | 30 | 40 | ||
| 25/16 | 105016 | 40 | 30 | 40 | ||
| 40/10 | 105017 | 55 | 30 | 40 | ||
| 40/16 | 105018 | 55 | 30 | 40 | ||
| 40/25 | 105025 | 55 | 40 | 40 | ||
| 50/25 | 105026 | 75 | 40 | 40 | ||
| 50/40 | 105040 | 75 | 55 | 40 |
| DN | Référence | A | B | C | D | E |
| 25/10 | 105010 | 40 | 30 | 40 | ||
| 25/16 | 105016 | 40 | 30 | 40 | ||
| 40/10 | 105017 | 55 | 30 | 40 | ||
| 40/16 | 105018 | 55 | 30 | 40 | ||
| 40/25 | 105025 | 55 | 40 | 40 | ||
| 50/25 | 105026 | 75 | 40 | 40 | ||
| 50/40 | 105040 | 75 | 55 | 40 |