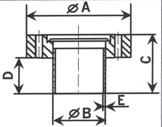
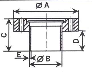
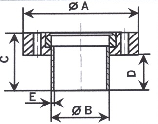
bride à collet
304 L DN Référence A B C D E 16 CF 405016 33.8 19 38 30.4 1.5 35 CF 405035 70 38 63 50
304 L DN Référence A B C D E 16 CF 405016 33.8 19 38 30.4 1.5 35 CF 405035 70 38 63 50
304 L DN Référence A B C D E 16 CF 441016 33.8 19 38 30.4 1.5 35 CF 441035 70 38 63 50 1.5
304 L DN Référence A B C D E 16 CF 407016 33.8 19 38 30.4 1.5 35 CF 407035 70 38 63 50