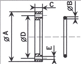
| DN | Référence | A | B | C | D | E |
| 63 | 304063 | 130 | 3 | 12 | 110 | 9X4 |
| 80 | 304080 | 145 | 3 | 12 | 125 | 9X8 |
| 100 | 304100 | 165 | 3 | 12 | 145 | 9X8 |
| 160 | 304160 | 225 | 5 | 16 | 200 | 11X8 |
| 200 | 304200 | 285 | 5 | 16 | 260 | 11X12 |
| 250 | 304250 | 335 | 5 | 16 | 310 | 11X12 |
| DN | Référence | A | B | C | D | E |
| 63 | 304063 | 130 | 3 | 12 | 110 | 9X4 |
| 80 | 304080 | 145 | 3 | 12 | 125 | 9X8 |
| 100 | 304100 | 165 | 3 | 12 | 145 | 9X8 |
| 160 | 304160 | 225 | 5 | 16 | 200 | 11X8 |
| 200 | 304200 | 285 | 5 | 16 | 260 | 11X12 |
| 250 | 304250 | 335 | 5 | 16 | 310 | 11X12 |