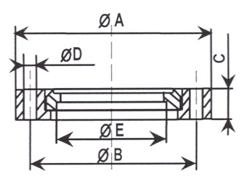
304 L
| DN | Référence | A | B | C | D | E |
| 16 CF | 450016 | 34 | 27 | 7.6 | M4 | 19.1 |
| 35 CF | 450035 | 70 | 58.7 | 12.7 | M6 | 38.2 |
| 63 CF | 450063 | 114 | 92.1 | 17.4 | M8 | 63.6 |
| 100 CF | 450100 | 152 | 130.2 | 19.8 | M8 | 104.2 |
| 150 CF | 450150 | 199 | 181 | 22.2 | M8 | 154.2 |
304 L
| DN | Référence | A | B | C | D | E |
| 16 CF | 450016 | 34 | 27 | 7.6 | M4 | 19.1 |
| 35 CF | 450035 | 70 | 58.7 | 12.7 | M6 | 38.2 |
| 63 CF | 450063 | 114 | 92.1 | 17.4 | M8 | 63.6 |
| 100 CF | 450100 | 152 | 130.2 | 19.8 | M8 | 104.2 |
| 150 CF | 450150 | 199 | 181 | 22.2 | M8 | 154.2 |