| DN | Référence | A | B | C | D | E |
| 16 | 139016 | 30 | 5 | 17.1 | 16 | 20.1 |
| 25 | 139025 | 40 | 5 | 26.1 | 25 | 28.1 |
| 40 | 139040 | 55 | 5 | 41.1 | 40 | 43.1 |
| 50 | 139050 | 75 | 5 | 52.1 | 50 | 53.1 |
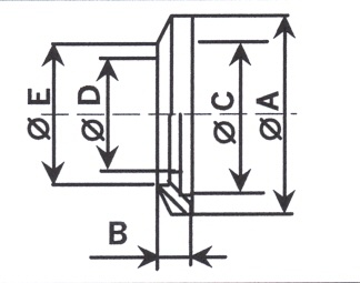
| DN | Référence | A | B | C | D | E |
| 16 | 139016 | 30 | 5 | 17.1 | 16 | 20.1 |
| 25 | 139025 | 40 | 5 | 26.1 | 25 | 28.1 |
| 40 | 139040 | 55 | 5 | 41.1 | 40 | 43.1 |
| 50 | 139050 | 75 | 5 | 52.1 | 50 | 53.1 |